Stránka 1 z 2
Karburátor
Napsal: pát 06. bře 2009 16:39:16
od Dubhead
Zdravíčko, chtěl bych poděkovat za předchozí rady které mi moc pomohly, dneska jsem se vrhnul na seřízení karburátoru, hledal jsem a nic jsem nenašel, proto se ptám. Jak nastavit bohatost směsi? Kolik otáček šroubu od dorazu mám dát? Koupil jsem Freewinda ojetého a bylo tam něco přez 4 otáčky což se mi zdá divné, i svíčky byly černé jako uhel, předem díky az odpověď.
Re: Karburátor
Napsal: pát 06. bře 2009 17:24:13
od DEEP
Ja mam ladeny vyfuk a mam tam 4 a 1\2 otacky.
Originalni nastaveni je:2 a 1\2 otacky spet od dorazu +- 1\3 otacky.Podle toho jak to pujde za plynem.
Ale nejdriv vymen svicky treba jsou v cudu.
Svicka by nemela byt do bela.Jinak je to dost chudy.A muzes podpalit ventyly nebo ti ukapne svicka
a cau parky.
Re: Karburátor
Napsal: ned 15. bře 2009 20:23:08
od palciatko
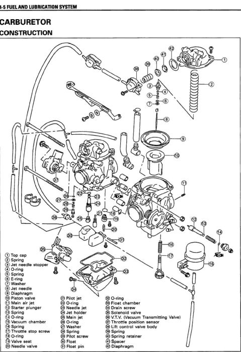
Pani, o akej skrutke na nastavenie bohatosti zmesi sa bavite??

- karbik_small.jpg (74.29 KiB) Zobrazeno 31542 x
Re: Karburátor
Napsal: pon 16. bře 2009 20:00:10
od DEEP
č.29
Re: Karburátor
Napsal: čtv 19. bře 2009 18:36:39
od DEEP
DEEP píše:Ja mam ladeny vyfuk a mam tam 4 a 1\2 otacky.
Originalni nastaveni je:2 a 1\2 otacky spet od dorazu +- 1\3 otacky.Podle toho jak to pujde za plynem.
Ale nejdriv vymen svicky treba jsou v cudu.
Svicka by nemela byt do bela.Jinak je to dost chudy.A muzes podpalit ventyly nebo ti ukapne svicka
a cau parky.
Sorry kamo to originalni nastaveni je
3 , 1\4 otacky.
Ne 2 , 1\2 otacky
Re: burt
Napsal: pon 27. dub 2009 21:35:21
od hace
Tak paráda...díky deepovým radám přes mobil sem si stim hrál asi 15min,vyrobil sem si vhodnej šroubováček,dal sem štelováky do nuly a oba natočil na 4,5 otáčky(původně měl jeden 2,5 a druhej 3,3 otáčky).Občas si to vystřelí ale je to ok,žádný dlouhý sraní s tim.Ještě bych si s tim pohrál ale jak sem to projel tak mě nebavilo čekat až to vychladne,jinak bych přišel o ruce.Zejtra po projíždce ještě zkontrolujku svíčky....ještě malej dotaz : jakou by měli mít barvu ty svíčky když je to uplně ok?? hroch mam pocit řikal cihlově oranžovou
Re: burt
Napsal: úte 28. dub 2009 7:10:35
od Rimmerak
Re: Karburátor
Napsal: úte 28. dub 2009 16:03:35
od hace
Tak včera to bylo super,a dneska sem jel do práce a zas to trochu střílelo a svíčka je zase trochu šedivá....možná se to změnilo kuli tomu že sem upravil otáčky volnoběhu...no uvidim,zejtra odpoledne si s tim pohraju,mam oba na ty 4,5 otáčky....pochopil sem to dobře že čim mín otáček tim víc vzduchu....
Re: Karburátor
Napsal: úte 28. dub 2009 16:58:21
od hroch
ja mam takhle zabarvenou
Re: Karburátor
Napsal: úte 28. dub 2009 17:58:22
od DEEP
Cim vic to vytocis ven,tim min vzduchu a vic benzinu.
Jako kohoutek u umyvadla cim vic povolujes tim vic vody.\benzinu\
Kapisto Pisto?Ja se taky teda mrknu na svice aby ste nerekli .A prdnu je sem.ale az vecer ted to je jako petnik.
Re: Karburátor
Napsal: úte 28. dub 2009 18:00:27
od DEEP
Nejsem si jist ale Hrosino daval 4 a 3\4.Otacky.
Vse se odrazi na dylce tlousce a jestlim je vlozka ve vyfuku.
Proste to musite zkouset dal samy.Ja tady taky vecne taky nebudu.
Re: Karburátor
Napsal: úte 28. dub 2009 18:27:50
od hroch
ano ja daval 4 a 3/4
Re: Karburátor
Napsal: úte 28. dub 2009 19:32:58
od DEEP
Takze tady jsou moje svice:
Jsou si myslim uplne stejne.
Re: Karburátor
Napsal: úte 28. dub 2009 20:07:38
od Sinner
Tak to je mám taky takové Jako Deep.
Re: Karburátor
Napsal: úte 28. dub 2009 20:13:49
od hace
když vidim ty tvoje deepe.tak to vypadá jako bych koukal na tu mojí....asi sem to přehnal že je bílá...ale kdybych to měl přirovnat k barvě tak 100% šedivá.Ale díky za ochotu zejtra bude Petruška v práci tak si budu hrát....jo a mluvil sem s hrochem po telefonu,já si myslel že termín synchronizace karburátorů je vlastně nastavit ty trysky co nejstejnějš. A hroch řikal že to je prej víc akcí co se štelujou...s tim deepe nemáš zkušenost vid??
Re: Karburátor
Napsal: úte 28. dub 2009 20:15:04
od hroch
Re: Karburátor
Napsal: úte 28. dub 2009 20:38:13
od DEEP
hace píše:když vidim ty tvoje deepe.tak to vypadá jako bych koukal na tu mojí....asi sem to přehnal že je bílá...ale kdybych to měl přirovnat k barvě tak 100% šedivá.Ale díky za ochotu zejtra bude Petruška v práci tak si budu hrát....jo a mluvil sem s hrochem po telefonu,já si myslel že termín synchronizace karburátorů je vlastně nastavit ty trysky co nejstejnějš. A hroch řikal že to je prej víc akcí co se štelujou...s tim deepe nemáš zkušenost vid??
Maslis sinchronizace klapek?
Nic novyho.
Proc chces to taky udelat?
Uz to nekdy na tvoji masine delaly?
Re: Karburátor
Napsal: úte 28. dub 2009 21:04:50
od hace
DEEP píše:hace píše:když vidim ty tvoje deepe.tak to vypadá jako bych koukal na tu mojí....asi sem to přehnal že je bílá...ale kdybych to měl přirovnat k barvě tak 100% šedivá.Ale díky za ochotu zejtra bude Petruška v práci tak si budu hrát....jo a mluvil sem s hrochem po telefonu,já si myslel že termín synchronizace karburátorů je vlastně nastavit ty trysky co nejstejnějš. A hroch řikal že to je prej víc akcí co se štelujou...s tim deepe nemáš zkušenost vid??
Maslis sinchronizace klapek?
Nic novyho.
Proc chces to taky udelat?
Uz to nekdy na tvoji masine delaly?
Mam jí od listopadu,a ten kluk co jí od něj mam,řikal že za 3 roky co jí měl(ujel údajně 8 000km) na nic skoro nešahal.Ale koupil jí prej od maníka co prej šteloval všechno. Takže to umíš??
Re: Karburátor
Napsal: čtv 30. dub 2009 18:55:00
od hace
Tak sem se dostal až na 5 otoček...a myslim si že je to uplně supr i svíčka už měla kvalitnější barvu....kolik je vůbec rozsah těch štelováků směsi??klidně bych ze zajímavosti zkusil ještě trochu víc,ale nechtěl sem pokoušet šteší.....Nezbavil sem se uplně střílení,už bych ani neřikal střílení spíš takový občasný prdení ze zhora do těch 4.500 ot. pak je uplně klid...
Re: Karburátor
Napsal: stř 13. kvě 2009 21:44:58
od Kamil.M
kluci, mohl by mi někdo říct proč z kohoutku na benzín vedou dvě hadičky ja vím
že to má dva karbece ale potřeboval bych vědět jestly to nemá vliv na polohu zapínání
Re: Karburátor
Napsal: stř 13. kvě 2009 21:50:54
od hroch
ted si nemuzu vzpomenout ku..a

Re: Karburátor
Napsal: stř 13. kvě 2009 21:56:46
od hroch
v manualu je to popsano jako podtlakova hadicka

Re: Karburátor
Napsal: stř 13. kvě 2009 22:22:25
od Ram
Kamil.M píše:kluci, mohl by mi někdo říct proč z kohoutku na benzín vedou dvě hadičky ja vím
že to má dva karbece ale potřeboval bych vědět jestly to nemá vliv na polohu zapínání
ahoj,tak ta jedna je podtlaková díky které vlastně v té druhé teče benzín.když odpojíš hadičku na benzín nic neteče ale jak v té druhé uděláš podtlak tak teče. poloha pri by měla naplnit karburátory i bez podtlaku
Re: Karburátor
Napsal: pát 15. kvě 2009 7:46:35
od Kamil.M
ahoj, tak to není poloha zavřeno? ja myslel že to pri znamená zavřeno, no jsem jenom bejvalej jawák musim se ještě hodně učit

takže to nemá polohu stop? už jsem to pochopyl,moc děkuji za visvětlení

Re: Karburátor
Napsal: pát 15. kvě 2009 8:21:36
od Kamil.M
jo a ještě jednu drobnost nevíte kde bych sehnal ten manuál
